[51单片机] 第七节 定时器和中断总结
前言:定时器中断 ,寄存器都是单片机中非常重要的概念,涉及到许多交叉的控制,掌握好这些知识点是学习单片机的关键。
51单片机的时钟源
1.外部脉冲
2.系统时钟(晶振),开发板上周期为12MHZ
一、定时器简介
- 注意:当时钟源为外部(T0)引脚提供时,定时器作为“计数器”作用,当外部每输入一个脉冲信号,计数器计数加一(不是常用功能)。
二、定时器工作模式
C/NT:当次开关为1时,为计数器功能(counter),配置T0引脚,当为0时,即定时器功能(timer),配置系统时钟。
定时器整个工作系统分为三个模块:
- 时钟模块: SYSclk,T0 pin ,此图为12分频的模式
- 计数模块/中断系统:计数范围:0~65530:计数溢出时会置标志位TF0,申请中断
- 控制模块: GATE,NINT0,TR0
三、中断系统简介
- 高优先级的中断可以打断低优先级的中断
- 中断系统即对紧急事件的实时处理
四、中断系统工作流程
五、stc89c52的中断资源
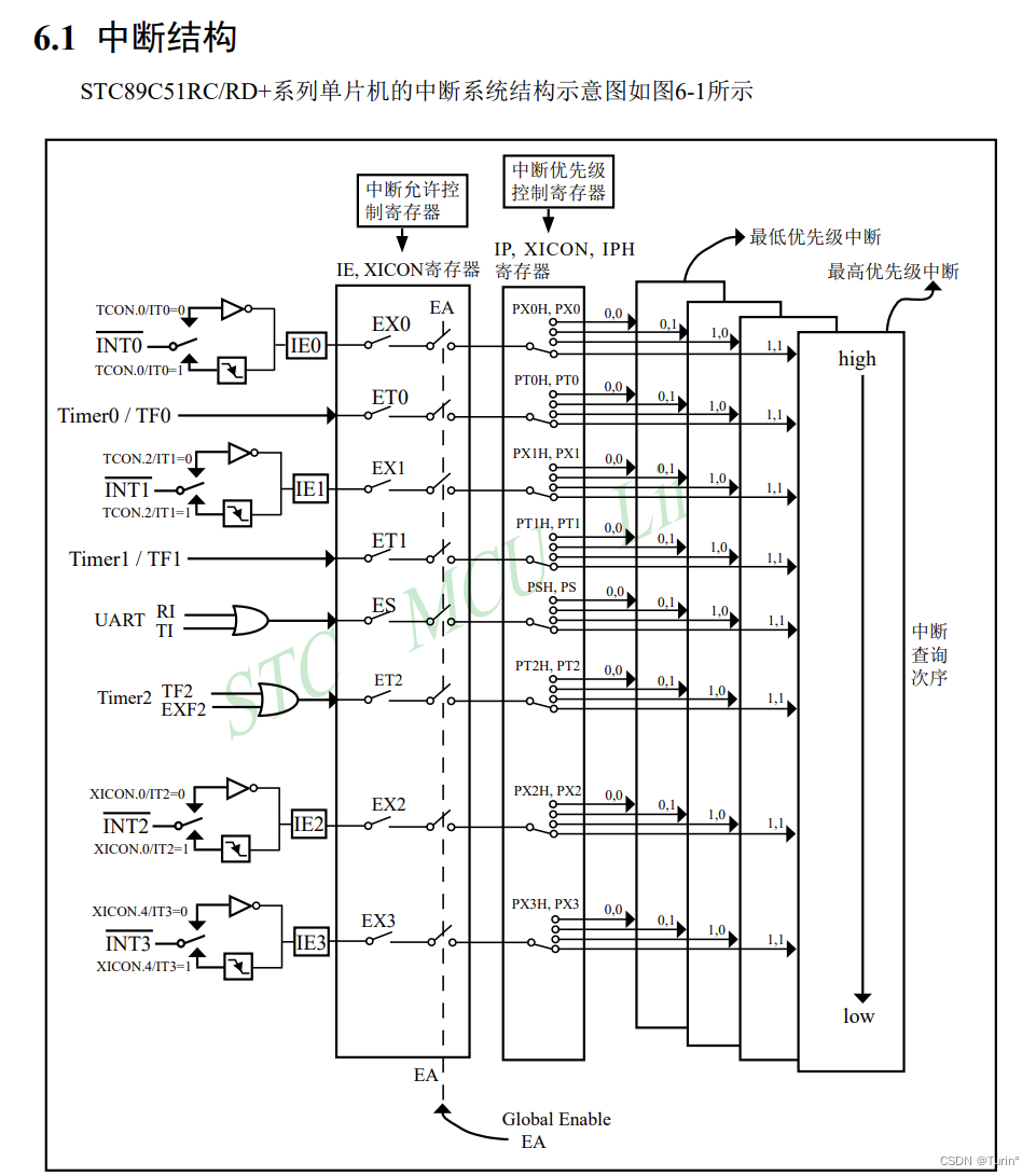
六、中断系统的结构
- 寄存器解释,中断系统的详细原理见数据手册(养成良好的阅读素养)
寄存器的简介
- 寄存器相当于连接单片机中电路的“特殊开关”
ps: GATE直接给0 ,一级或门输出一,二级与门输出由TR0控制是否进行计数
本博客所有文章除特别声明外,均采用 CC BY-NC-SA 4.0 许可协议。转载请注明来自 Turin's Blog!



![【stm32单片机】[操作系统][RT-Thread][3]线程通信](/img/blog_cover/rt-thread.jpg)